En
4006-999-014

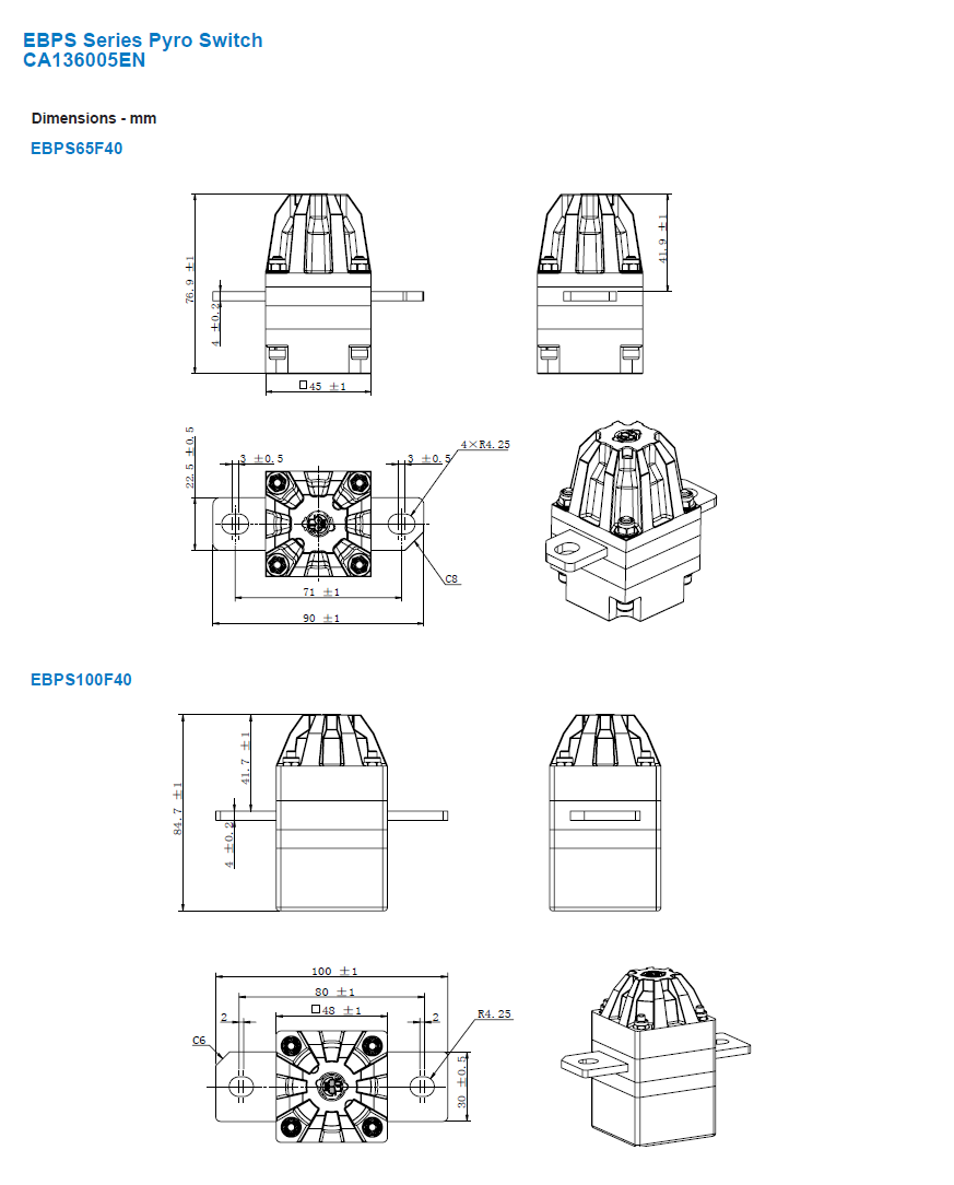
智能熔断器EBPS100F40AC

产品型号包含但不限于以下型号

EBPF65F40-XX

EBPS65F40-XX

EBPF100F40-XX 

EBPS100F40-XX

EBPF50F40A-XX 

EBPS50F40A-XX

EBPF100F40A-XX 

EBPS100F40A-XX


联系我们

青岛创锐电气有限公司(总部)
QDCR ELECTRIC CO.,LTD

总部地址:青岛市市南区山东路40号广发金融大厦1102B

物流中心:青岛市北区南昌支路1号华清工业园1-3

电       话:+86-532-80904500(30线)

传       真:+86-532-80904511

邮       箱 : sales@cr-electric.com

网       址 : www.creacl.com